 
	    				    			Features
◇ Flexible connection for deflection in any direction with a maximum deflection angle of 12°.
◇ High-strength steel with good stability.
| How to order | |||
| PJB - G4M ① ② | |||
| ① Series | ② Connection thread | ||
| PJB | G1M - G1/8 Male thread G4M - G1/2 Male thread | ||

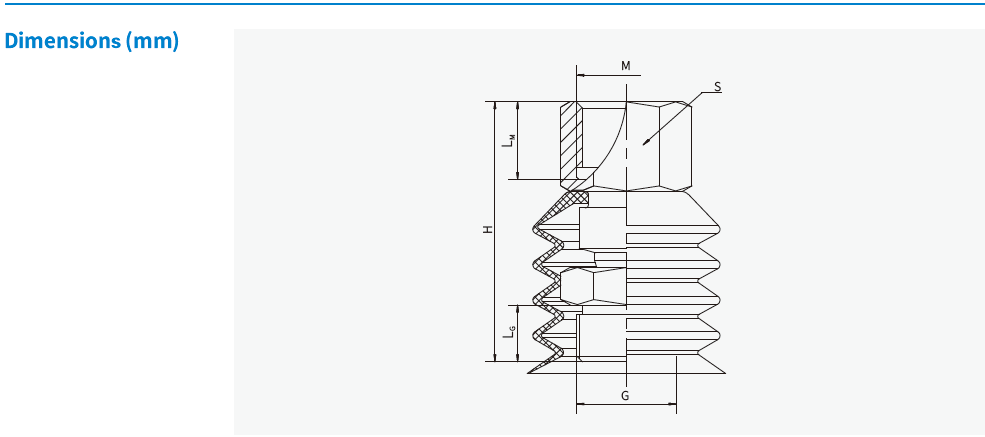
| Model/Size | H | G | LG | M | LM | S | Max. deflection | Weight (g) | 
| PJB-G1M | 33 | G1/8 | 7 | G1/8 | 8 | 12 | 12° | 20 | 
| PJB-G4M | 52 | G1/2 | 12 | G1/2 | 15 | 24 | 12° | 113 |